Days
:
Hours
:
Min
:
Sec
enquiries For Inquiries: [email protected]
0
Item(s) in cart
modal

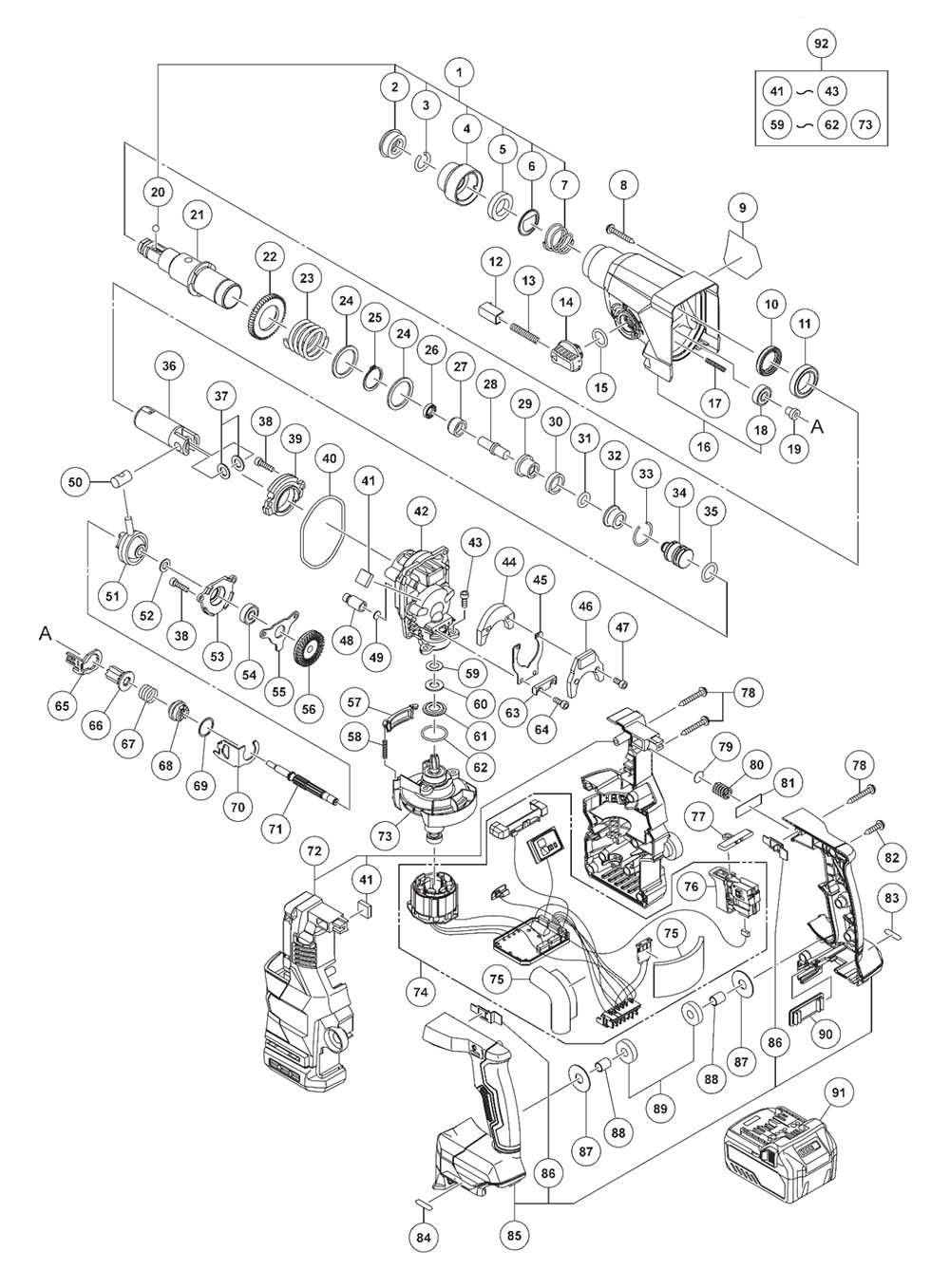
Hitachi DH3628DA  Replacement Parts  

Model: DH3628DA

Brand: Hitachi

Download Schematics

Recently Viewed

    Buy Hitachi DH3628DA Cordless Rotary Hammer Parts

    Fig-0
    Hitachi DH3628DA Parts Schematic
    Page-1 Fig-0
    DH3628DA-hitachi-PB-1Break Down Fig-1
    Reference Filter: Filter parts list by name or model number:

    You might be interested in popular Hand Tool categories:

    Hitachi DH3628DA Replacement Parts List

    Open Modal