enquiries For Inquiries: [email protected]
0
Item(s) in cart
modal

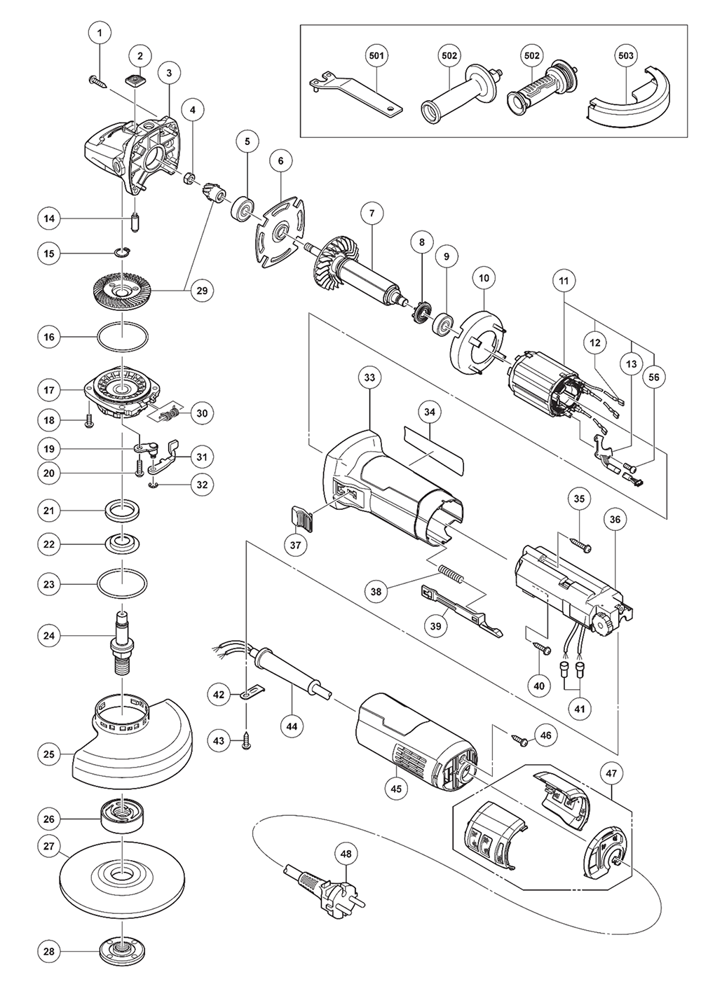
Hitachi G13VE2  Replacement Parts  

Model: G13VE2

Brand: Hitachi

Download Schematics

Recently Viewed

    Buy Hitachi G13VE2 Electric Grinder Parts

    Fig-0
    Hitachi G13VE2 Parts Schematic
    Page-1 Fig-0
    Reference Filter: Filter parts list by name or model number:

    You might be interested in popular Hand Tool categories:

    Hitachi G13VE2 Replacement Parts List

    Open Modal