enquiries For Inquiries: [email protected]
0
Item(s) in cart
modal

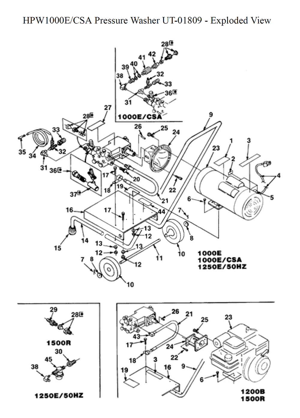
Homelite HPW1000E-CSA-(UT-01809)  Replacement Parts  

Model: HPW1000E-CSA-(UT-01809)

Brand: Homelite

Download Schematics

Recently Viewed

    Buy Homelite HPW1000E-CSA-(UT-01809) Pressure Washer Parts

    Fig-0
    Homelite HPW1000E-CSA-(UT-01809) Parts Schematic
    Page-1 Fig-0
    HPW1000E-CSA-(UT-01809)-homelite-PB-1Break Down Fig-1
    HPW1000E-CSA-(UT-01809)-homelite-PB-2Break Down Fig-2
    Reference Filter: Filter parts list by name or model number:

    You might be interested in popular Hand Tool categories:

    Homelite HPW1000E-CSA-(UT-01809) Replacement Parts List

    Open Modal