Days
:
Hours
:
Min
:
Sec
enquiries For Inquiries: [email protected]
0
Item(s) in cart
modal

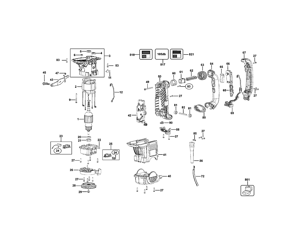
Dewalt D25602K-AR Type-1  Replacement Parts  

Model: D25602K-AR Type-1

Brand: DeWalt

Download Schematics

Recently Viewed

    Buy Dewalt D25602K-AR Type-1 Electric Hammer Drill Parts

    Fig-0
    Dewalt D25602K-AR Type-1 Parts Schematic
    Page-1 Fig-0
    D25602K-AR-BlackandDecker-T1-PB-1Break Down Fig-1
    D25602K-AR-Dewalt-T1-PB-1Break Down Fig-2
    Reference Filter: Filter parts list by name or model number:

    You might be interested in popular Hand Tool categories:

    Dewalt D25602K-AR Type-1 Replacement Parts List

    Open Modal