Days
:
Hours
:
Min
:
Sec
enquiries For Inquiries: [email protected]
0
Item(s) in cart
modal

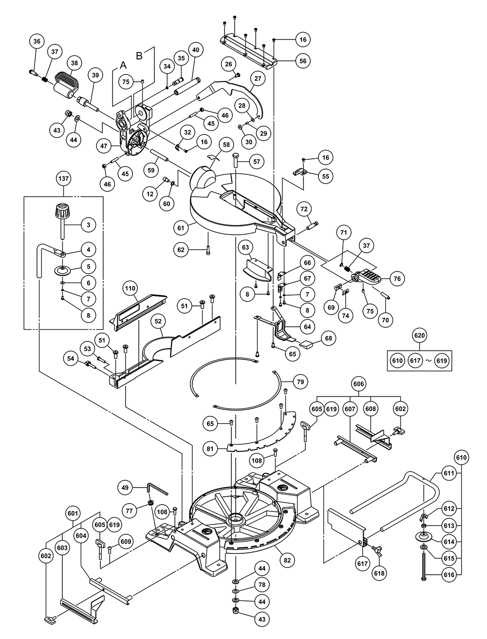
Hitachi C10FCG2  Replacement Parts  

Model: C10FCG2

Brand: Hitachi

Download Schematics

Recently Viewed

    Buy Hitachi C10FCG2 Electric Saw Parts

    Fig-0
    Hitachi C10FCG2 Parts Schematic
    Page-1 Fig-0
    C10FCG2-hitachi-PB-1Break Down Fig-1
    Reference Filter: Filter parts list by name or model number:

    You might be interested in popular Hand Tool categories:

    Hitachi C10FCG2 Replacement Parts List

    Open Modal