enquiries For Inquiries: [email protected]
0
Item(s) in cart
modal

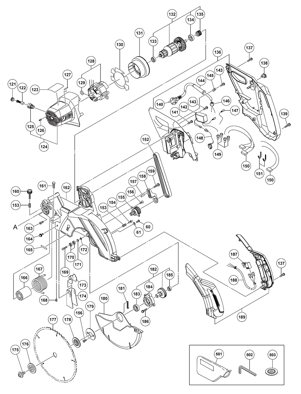
Hitachi C12RSH3  Replacement Parts  

Model: C12RSH3

Brand: Hitachi

Download Schematics

Recently Viewed

    Buy Hitachi C12RSH3 Electric Saw Parts

    Fig-0
    Hitachi C12RSH3 Parts Schematic
    Page-1 Fig-0
    C12RSH3-hitachi-PB-1Break Down Fig-1
    C12RSH3-hitachi-PB-2Break Down Fig-2
    Reference Filter: Filter parts list by name or model number:

    You might be interested in popular Hand Tool categories:

    Open Modal