Days
:
Hours
:
Min
:
Sec
enquiries For Inquiries: [email protected]
0
Item(s) in cart
modal

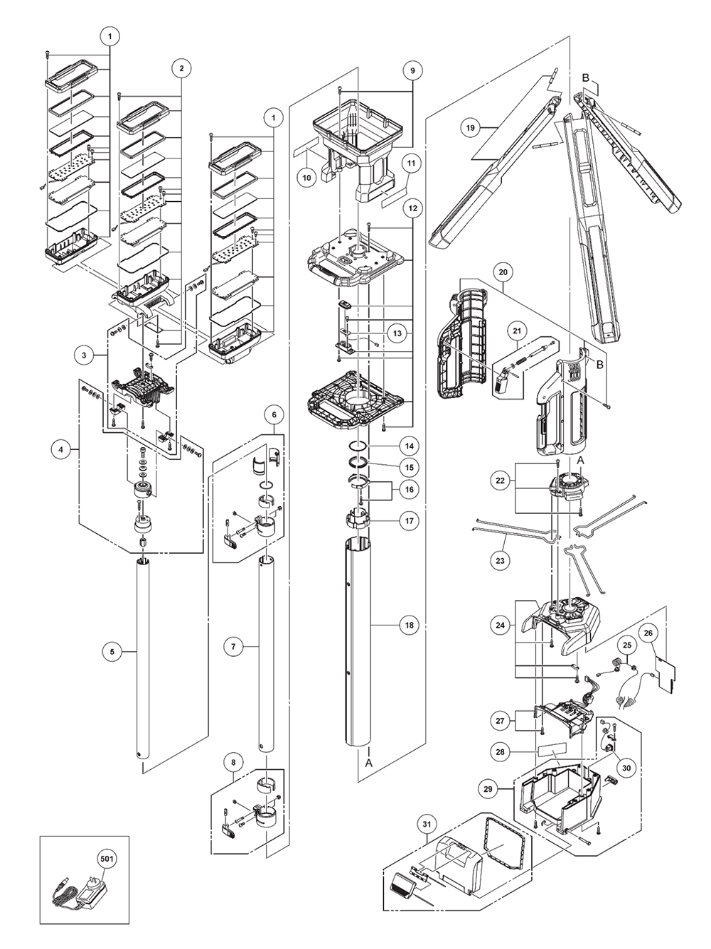
Hitachi UB18DGQ4  Replacement Parts  

Model: UB18DGQ4

Brand: Hitachi

Download Schematics

Recently Viewed

    Buy Hitachi UB18DGQ4 Flashlight Parts

    Fig-0
    Hitachi UB18DGQ4 Parts Schematic
    Page-1 Fig-0
    Reference Filter: Filter parts list by name or model number:

    You might be interested in popular Hand Tool categories:

    Open Modal