Days
:
Hours
:
Min
:
Sec
enquiries For Inquiries: [email protected]
0
Item(s) in cart
modal

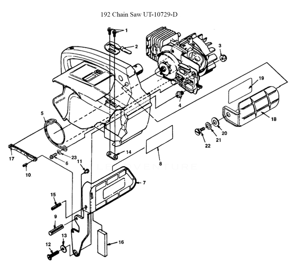
Homelite 192-(UT-10729-D)  Replacement Parts  

Model: 192-(UT-10729-D)

Brand: Homelite

Download Schematics

Recently Viewed

    Buy Homelite 192-(UT-10729-D) Chain Saw Parts

    Fig-0
    Homelite 192-(UT-10729-D) Parts Schematic
    Page-1 Fig-0
    192-(UT-10729-D)-homelite-PB-1Break Down Fig-1
    192-(UT-10729-D)-homelite-PB-2Break Down Fig-2
    192-(UT-10729-D)-homelite-PB-3Break Down Fig-3
    192-(UT-10729-D)-homelite-PB-4Break Down Fig-4
    Reference Filter: Filter parts list by name or model number:

    You might be interested in popular Hand Tool categories:

    Homelite 192-(UT-10729-D) Replacement Parts List

    Open Modal