Days
:
Hours
:
Min
:
Sec
enquiries For Inquiries: [email protected]
0
Item(s) in cart
modal

Homelite 200-(UT-10699-B)  Replacement Parts  

Model: 200-(UT-10699-B)

Brand: Homelite

Download Schematics

Recently Viewed

    Buy Homelite 200-(UT-10699-B) Chain Saw Parts

    Fig-0
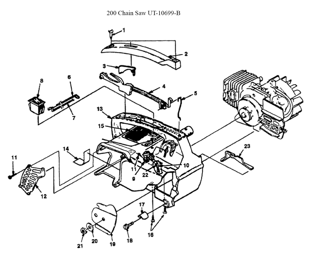
    Homelite 200-(UT-10699-B) Parts Schematic
    Page-1 Fig-0
    200-(UT-10699-B)-homelite-PB-1Break Down Fig-1
    200-(UT-10699-B)-homelite-PB-2Break Down Fig-2
    200-(UT-10699-B)-homelite-PB-3Break Down Fig-3
    200-(UT-10699-B)-homelite-PB-4Break Down Fig-4
    200-(UT-10699-B)-homelite-PB-5Break Down Fig-5
    Reference Filter: Filter parts list by name or model number:

    You might be interested in popular Hand Tool categories:

    Homelite 200-(UT-10699-B) Replacement Parts List

    Open Modal