Days
:
Hours
:
Min
:
Sec
enquiries For Inquiries: [email protected]
0
Item(s) in cart
modal

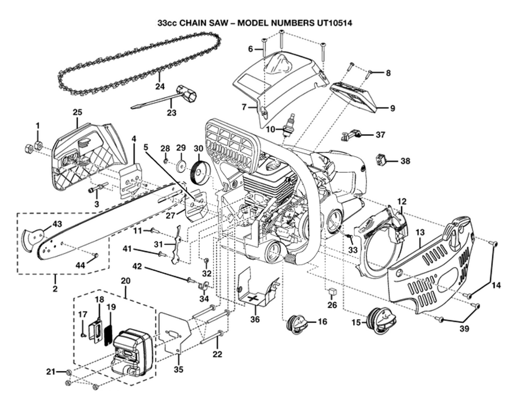
Homelite 33cc-(UT-10514)  Replacement Parts  

Model: 33cc-(UT-10514)

Brand: Homelite

Download Schematics

Recently Viewed

    Buy Homelite 33cc-(UT-10514) Chain Saw Parts

    Fig-0
    Homelite 33cc-(UT-10514) Parts Schematic
    Page-1 Fig-0
    33cc-(UT-10514)-homelite-PB-1Break Down Fig-1
    33cc-(UT-10514)-homelite-PB-2Break Down Fig-2
    Reference Filter: Filter parts list by name or model number:

    You might be interested in popular Hand Tool categories:

    Homelite 33cc-(UT-10514) Replacement Parts List

    Open Modal