Days
:
Hours
:
Min
:
Sec
enquiries For Inquiries: [email protected]
0
Item(s) in cart
modal

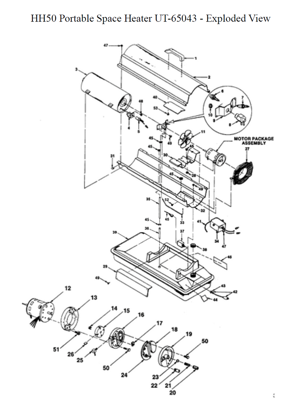
Homelite HH50-(UT-65043)  Replacement Parts  

Model: HH50-(UT-65043)

Brand: Homelite

Download Schematics

Recently Viewed

    Buy Homelite HH50-(UT-65043) Miscellaneous Tool Parts

    Fig-0
    Homelite HH50-(UT-65043) Parts Schematic
    Page-1 Fig-0
    Reference Filter: Filter parts list by name or model number:

    You might be interested in popular Hand Tool categories:

    Homelite HH50-(UT-65043) Replacement Parts List

    Open Modal