Days
:
Hours
:
Min
:
Sec
enquiries For Inquiries: [email protected]
0
Item(s) in cart
modal

Homelite HPW1000E-(UT-01802)  Replacement Parts  

Model: HPW1000E-(UT-01802)

Brand: Homelite

Download Schematics

Recently Viewed

    Buy Homelite HPW1000E-(UT-01802) Pressure Washer Parts

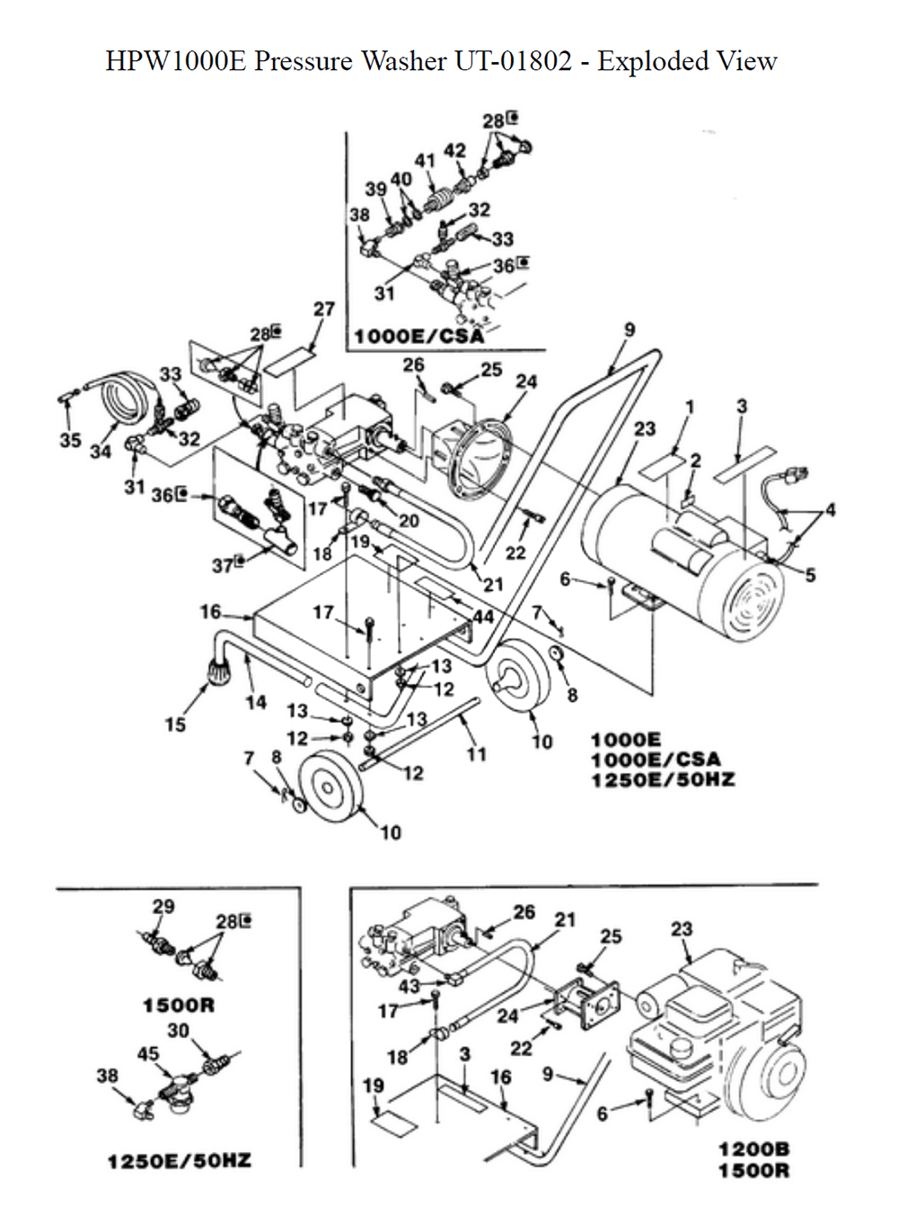
    Fig-0
    Homelite HPW1000E-(UT-01802) Parts Schematic
    Page-1 Fig-0
    HPW1000E-(UT-01802)-homelite-PB-1Break Down Fig-1
    HPW1000E-(UT-01802)-homelite-PB-2Break Down Fig-2
    Reference Filter: Filter parts list by name or model number:

    You might be interested in popular Hand Tool categories:

    Homelite HPW1000E-(UT-01802) Replacement Parts List

    Open Modal