Days
:
Hours
:
Min
:
Sec
enquiries For Inquiries: [email protected]
0
Item(s) in cart
modal

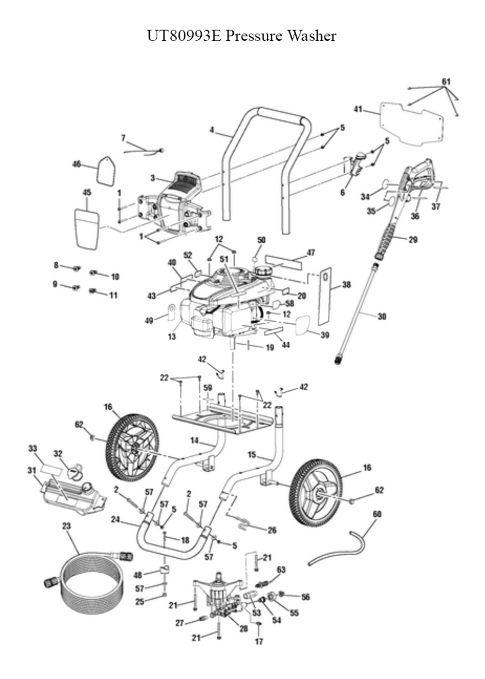
Homelite UT80993E  Replacement Parts  

Model: UT80993E

Brand: Homelite

Download Schematics

Recently Viewed

    Buy Homelite UT80993E Pressure Washer Parts

    Fig-0
    Homelite UT80993E Parts Schematic
    Page-1 Fig-0
    Reference Filter: Filter parts list by name or model number:

    You might be interested in popular Hand Tool categories:

    Homelite UT80993E Replacement Parts List

    Open Modal