Days
:
Hours
:
Min
:
Sec
enquiries For Inquiries: [email protected]
0
Item(s) in cart
modal

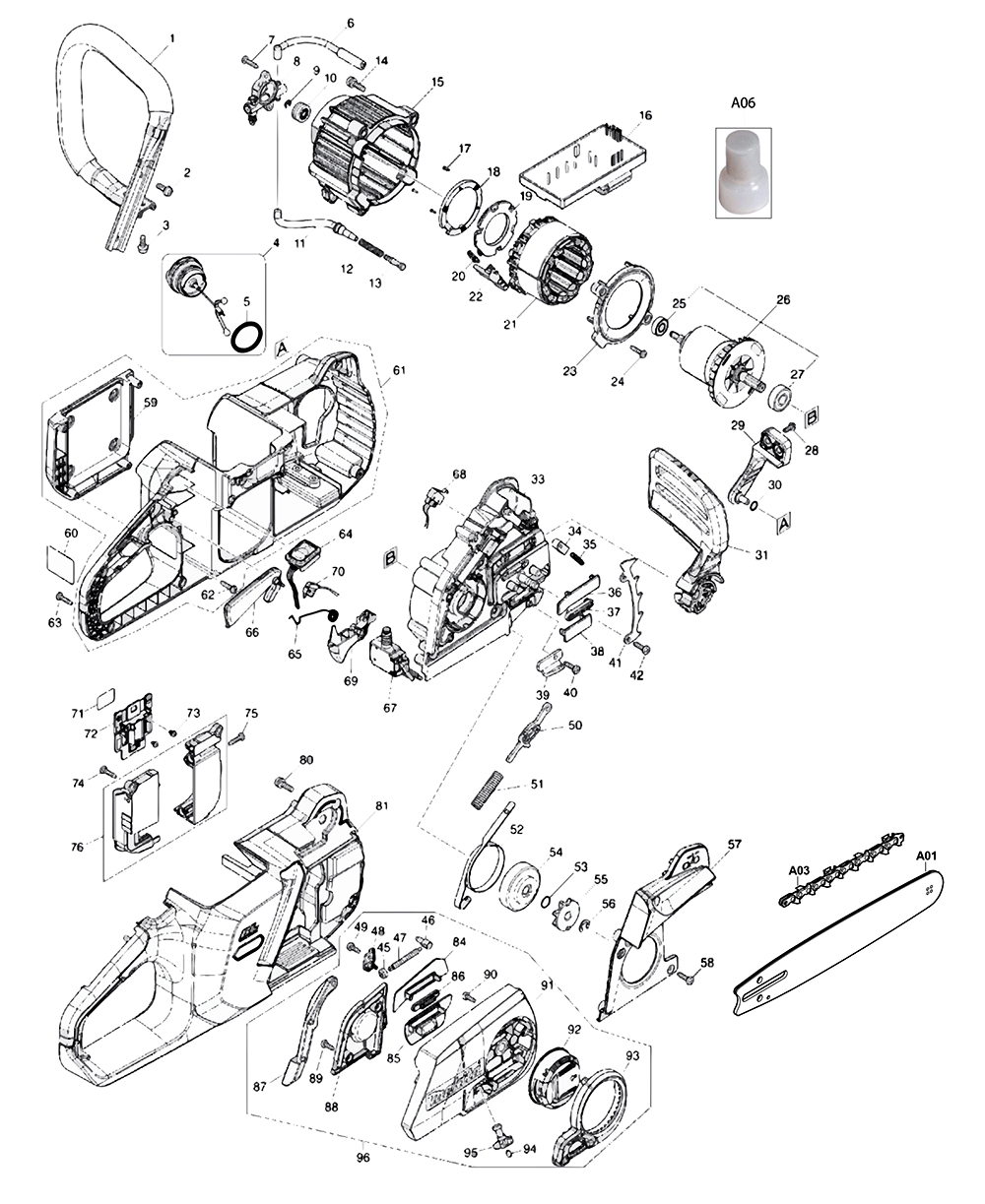
Makita GCU05T  Replacement Parts  

Model: GCU05T

Brand: Makita

Download Schematics

Recently Viewed

    Buy Makita GCU05T Cordless Saw Parts

    Fig-0
    Makita GCU05T Parts Schematic
    Page-1 Fig-0
    Reference Filter: Filter parts list by name or model number:

    You might be interested in popular Hand Tool categories:

    Makita GCU05T Replacement Parts List

    Open Modal