Days
:
Hours
:
Min
:
Sec
enquiries For Inquiries: [email protected]
0
Item(s) in cart
modal

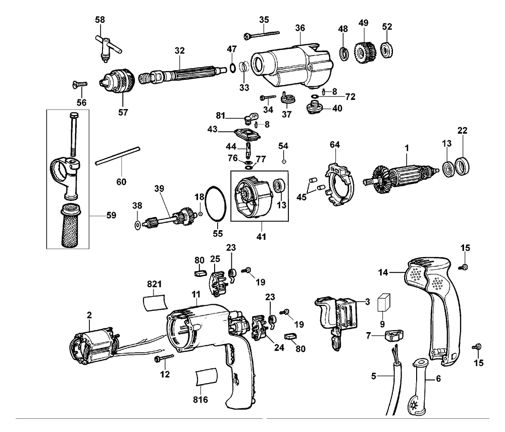
Dewalt D21715-BR Type-2  Replacement Parts  

Model: D21715-BR Type-2

Brand: DeWalt

Download Schematics

Recently Viewed

    Buy Dewalt D21715-BR Type-2 Electric Drill & Driver Parts

    Fig-0
    Dewalt D21715-BR Type-2 Parts Schematic
    Page-1 Fig-0
    Reference Filter: Filter parts list by name or model number:

    You might be interested in popular Hand Tool categories:

    Dewalt D21715-BR Type-2 Replacement Parts List

    Open Modal