Days
:
Hours
:
Min
:
Sec
enquiries For Inquiries: [email protected]
0
Item(s) in cart
modal

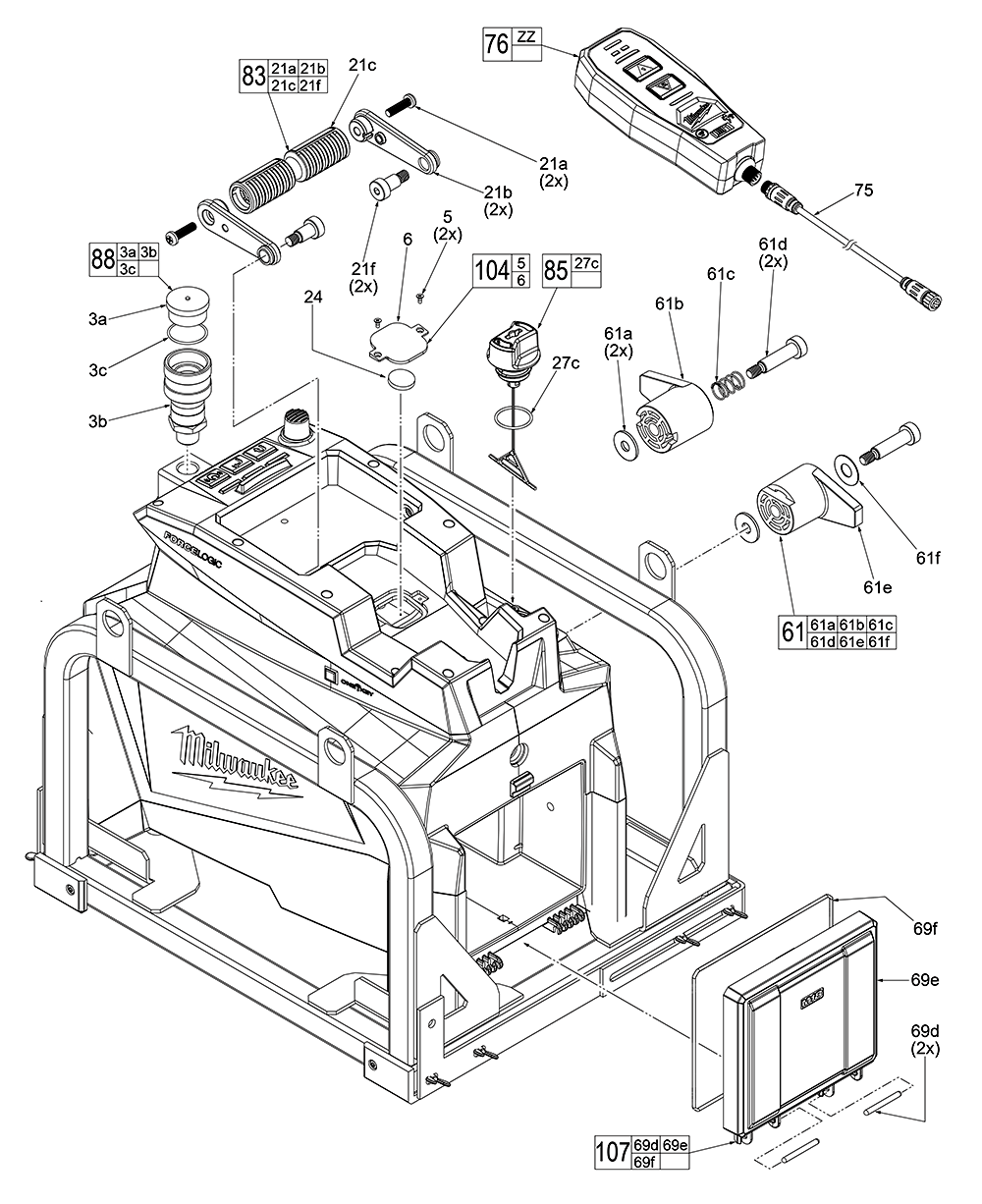
Milwaukee 2774-20-(K15A)  Replacement Parts  

Model: 2774-20-(K15A)

Brand: Milwaukee

Download Schematics

Recently Viewed

    Buy Milwaukee 2774-20-(K15A) Specialty Tools Parts

    Fig-0
    Milwaukee 2774-20-(K15A) Parts Schematic
    Page-1 Fig-0
    Reference Filter: Filter parts list by name or model number:

    You might be interested in popular Hand Tool categories:

    Open Modal