Days
:
Hours
:
Min
:
Sec
enquiries For Inquiries: [email protected]
0
Item(s) in cart
modal

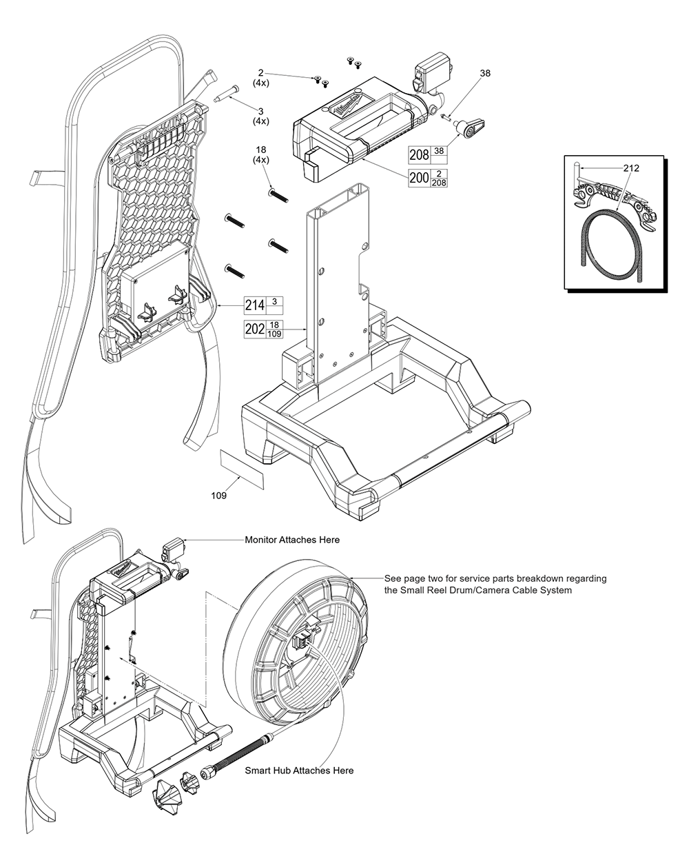
Milwaukee 2973-20-(L04A)  Replacement Parts  

Model: 2973-20-(L04A)

Brand: Milwaukee

Download Schematics

Recently Viewed

    Buy Milwaukee 2973-20-(L04A) Inspection Camera parts

    Fig-0
    Milwaukee 2973-20-(L04A) Parts Schematic
    Page-1 Fig-0
    2973-20-(L04A)-milwaukee-PB-1Break Down Fig-1
    Reference Filter: Filter parts list by name or model number:

    You might be interested in popular Hand Tool categories:

    Milwaukee 2973-20-(L04A) Replacement Parts List

    Open Modal