Days
:
Hours
:
Min
:
Sec
enquiries For Inquiries: [email protected]
0
Item(s) in cart
modal

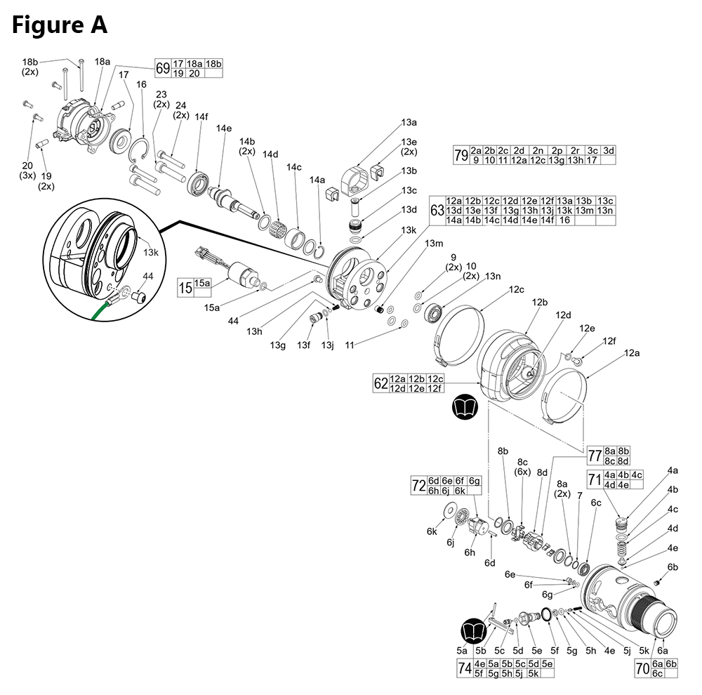
Milwaukee 2977-20-(L33A)  Replacement Parts  

Model: 2977-20-(L33A)

Brand: Milwaukee

Download Schematics

Recently Viewed

    Buy Milwaukee 2977-20-(L33A) Hydraulic Crimpers and Cutters parts

    Fig-0
    Milwaukee 2977-20-(L33A) Parts Schematic
    Page-1 Fig-0
    2977-20-(L33A)-milwaukee-PB-1Break Down Fig-1
    2977-20-(L33A)-milwaukee-PB-2Break Down Fig-2
    Reference Filter: Filter parts list by name or model number:

    You might be interested in popular Hand Tool categories:

    Milwaukee 2977-20-(L33A) Replacement Parts List

    Open Modal